__________

Designing the Future with Circuits

반도체 회로설계 취준기

하만(Harman) 세미콘 반도체 설계 과정/전자회로 해석 및 설계

하만(Harman) 세미콘 아카데미 20일차 - 전자회로 해석 및 설계(피에조 소자, 아키텍처 설계, 테브난 회로, 노턴 회로, 등가회로, OrCAD)

semicon_designer 2024. 4. 3. 12:25
728x90

[2024.04.03.수] 인천인력개발원 하만 세미콘 아카데미


전자회로 해석 및 설계


회로해석 이론


1. 피에조 소자

  • 압전 효과를 이용한 소자
  • 기계적 자극에 의해 분극 현상이 일어나는 것을 이용한 소자
  • 압력에 따라 저항이 달라져 전류가 달라짐

2. 노드 전압 구하기 예시

 

3. 위 회로로 전자저울 아키텍쳐 설계

  • R4 위치에 피에조 소자를 위치
  • 피에조 소자에 가해지는 압력에 따라 전압 변화
  • 이에 따라 Va도 변화
  • a와 b노드에 op-amp를 연결(a에 +, b에 -)하여 신호 증폭
  • ADC(Analog to Digital Converter)를 이용하여 아날로그 신호를 디지털 신호로 변환
    • Resolution: 해상도, 분해능
    • 8Bit ADC -> 전압을 2^8개로 분해하여 분석 가능
    • 10Bit ADC-> 전압을 2^10개로 분해하여 분석 가능
    • 더 많이 분해할수록 아날로그 신호에 근접한 디지털 신호 생성
      -> 비트가 클 수록 해상도 증가, 연산속도 감소, 데이터 용량 증가(메모리 용량 증가)

피에조 소자를 이용한 전자저울의 Architecture 설계

  • 위 아키텍처에서 가성비를 높이기 위한 아이디어
    • R7, R5, R8의 저항으로 정밀저항(오차율 1% 미만)을 사용 -> op-Amp의 성능을 낮춰 가격 절감
    • MCU를 통해 무게 측정을 수차례 반복, 평균값으로 무게 측정(나머지 회로의 오차가 커도 정확한 값 표현)
    • 아키텍처에서 하드웨어적인 방법 뿐 아니라 소프트웨어적인 방법으로도 개선 가능함을 기억

4. 회로 그림 변환

  • GND끼리 이어서 GND 설정
  • 같은 노드에 있는 소자는 위 그림과 같이 변환

5. 등가회로

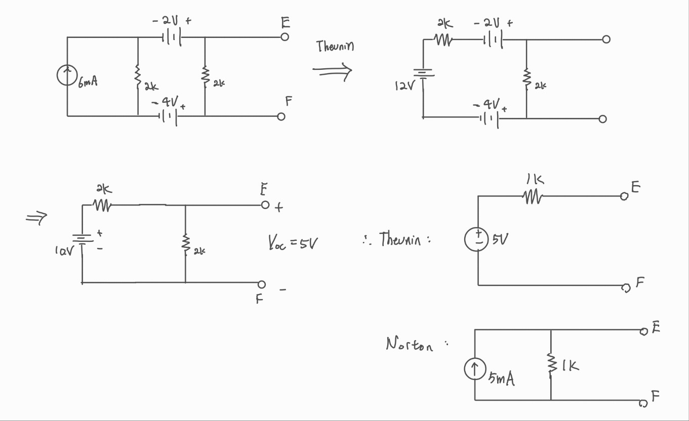
  • 테브난(Thevenin) 등가회로: 부하 저항을 제외한 회로의 모든 소자를 한 개의 독립 전압원과 한 개의 저항의 직렬연결로 대체한 등가회로
  • 노턴(Norton) 등가회로: 테브난 등가 회로를 변환하여 한 개의 독립 전류원과 한 개의 저항의 병렬 연결인 등가회로 
    테브난 등가회로와 노턴 등가회로
  • 등가회로의 내부저항 구하기
    • 전압원의 내부저항은 0(short), 전류원의 내부 저항은 ∞(open)
    • 이후 회로 연결하여 모든 저항의 합 구하기
  • 테브난/노턴 등가회로 구하는 순서
    1. Rdum에 무한대 저항(1TΩ) 연결 후 전압 측정 -> Voc(Open Circuit Voltage)
    2. Rdum에 최소 저항 (1mΩ) 연결 후 전류 측정 -> Isc(Short Circuit Current)
    3. RT = Voc/Isc 계산
    4. 테브난 등가회로: Voc(=Vth)와 등가저항(RT)를 직렬 구성
    5. 노턴 등가회로: Isc(=I_N)와 등가저항(RT)를 병렬 구성

  • 테브난 등가회로 예시

 


OrCAD Capture CIS Lite 설치, 초기설정


1. 프로그램 다운로드 주소(회원가입 후 다운로드 가능): https://npit.co.kr/html/dh_board/lists/support102

 

나인플러스 IT ㈜

Cadence OrCAD 국내총판, Allegro, PSpice, Sigrity, IC Design, AWR, InspectAR, EMX. CFD

www.npit.co.kr

 

2. 프로그램 실행 - Start page 우클릭 후 닫기

 

3. Windows 탭에서 Session Log 설정을 통해 하단 창 표시 선택 가능

 

4. D드라이브에 work_OrCAD 폴더 생성 후 새로운 프로젝트 생성

 

5. 시뮬레이션을 위해 첫 옵션 선택, 이름 입력 후 OK

  • PSpice Analog or Mixed A/D
  • PC Board Wizard: PCB
  • Programmable Logic Wizard: FPGA
  • Schematic: 회로 도면

OK 선택 후 디자인 탬플릿 확인 가능

6. create a blank project 선택 후 OK

 

7. 좌측 윈도우 상단에 위에서 선택한 옵션 이름 확인

SHCEMATIC 윈도우= 브레드보드

 

8. 우측에 부품 선택 기능: 단축키 P

 

9. 라이브러리 초기설정 방법

9-1. Add Library 선택

9-2.경로 확인, 모두 선택(Ctrl+A) 후 열기

경로 확인

 

9-3. 라이브러리 확인

 

10.P 눌러 파트 열고 R 눌러 저항 검색

ANALOG 라이브러리의 R(저항) 선택

 

11. 엔터 후 마우스 선택을 통해 저항 브레드보드에 위치

 

12. 저항값 변경을 위해 1k 더블클릭 - 2k 입력 후 ok

 

13. 저항 중앙 선택 후 Ctrl+C, Ctrl+V를 통해 저항 복사 가능(Ctrl 누르고 드래그 앤 드롭도 가능)

 

14. 사용한 부품 상단에서 선택 가능

 

15. 부품 설치 전 R버튼을 통해 회전 가능

 

16. Vdc 설치를 위해 P 누르고 vdc 검색

 

17. 엔터 후 브레드보드에 설치, 값 변경

18. 동일하게 idc 검색하여 전류원 설치 후 값 변경

 

19. 그라운드 선택

 

20. 포트 선택

 

21. 포트 위치시킨 후 R을 눌러 라벨 위치 설정

 

22. Wiring(단축키 w)

 

23. Simulation 구동 - New Simulation에 이름 bias 입력 후 Create

 

24. Analysis Type - Bias Point 선택 - OK

 

25. 회로 구성 완료

26. 상단 메뉴에 시뮬레이션 재생

단축키 F11

 

27. 전압 표시가 안되면 Enable voltage Display 버튼을 껐다 켜기

 

28. 멀티미터로 전압측정(이상적인 전압계의 입력저항: ∞Ω -> 전압계를 무한대의 저항으로 표현)

  • 멀티미터 전압계 표현을 위해 무한대(1TΩ)의 입력저항 설정 -> open 효과

 

29. R7(전압계)에 걸리는 전압을 계산하기 위해 공학용계산기 앱 이용
-> 1.5V 을 저항 R7에 표시하기 위해 우측에 Place text 선택(주석과 같은 역할) - Open Circuit Voltage, Voc = 1.5V 입력

 

30. 전류계를 표현하기 위해 0Ω의 입력저항 사용 - 컴퓨터에서는 0으로 나누기가 불가하므로, 0대신 OrCAD의 최소 저항값 1mΩ 설정 -> short 효과

상단의 Voltage 표시를 끄고 Current 표시 켬

 

31. 전류의 방향: 저항에 달려있는 점선에서 저항쪽으로 흐름

32. 위 과정을 통해 내부저항 500Ω 계산

 

33. 저항값을 변수로 선언하기 위해 값 더블클릭 - {}안에 변수이름 입력

 

34. 지정 후 시뮬레이션 실행 - RL 정의되지 않음 에러 발생(변수 선언 없었기 때문)

 

35. 변수 선언: p = param 검색

 

36.PARAMETERS: 더블클릭

37. Pivot 선택

 

38. New property 클릭, RL 변수를 선언하기 위해 RL입력, 초기값 1T로 설정 - OK

 

39. PAGE1에 선언된 변수 표시를 위해 RL의 Value 우클릭 - Display

 

 

40. F11 후 Voc 확인: 1.500v

 

41. Ioc 확인을 위해 RL을 1m로 변경(RL 더블클릭) 후 시뮬레이션

 

42. 우측 두 회로가 좌측 회로의 등가회로(두 회로의 전기적 특성이 동일하므로)

Voc와 RT를 직렬 연결 -> 테브난 등가회로 / Isc와 RT를 병렬 연결 -> 노턴 등가회로


회로해석 이론


1. 전력(P, Power)

  • 단위시간당 한 일(소모 에너지)
  • 에너지 단위: [J] (Joule, 줄), [Ws]
  • 단위시간당 에너지 변화율
  • 단위: [W] (Watt, 와트), [J/s]
    • P = W/t [W], W: 행한 일
    • W = QV
    • => P = QV/t = VI = I^2 * R = V^2 / R

 

728x90