[2024.05.27.월] 인천인력개발원 하만 세미콘 아카데미
실습 1: uart_rx 마무리
- 이전에 생성한 UART_RX 실습에서 버튼을 입력하면 ASCHII코드의 번호의 두 배가 되어 세그먼트에 출력되는 오류 수정 필요
1. uart_rx_cntl.v의 코드를 통해 오류를 발생시키는 부분 확인
`timescale 1ns / 1ps
//////////////////////////////////////////////////////////////////////////////////
// Company:
// Engineer:
//
// Create Date: 2024/05/20 10:15:18
// Design Name:
// Module Name: uart_rx_cntl
// Project Name:
// Target Devices:
// Tool Versions:
// Description:
//
// Dependencies:
//
// Revision:
// Revision 0.01 - File Created
// Additional Comments:
//
//////////////////////////////////////////////////////////////////////////////////
module uart_rx_cntl(
input RST,
input CLK,
(* mark_debug = "true" *)
input RXD,
(* mark_debug = "true" *)
input BAUD_X16_EN, //over_sample_cnt_done,
output [7:0] RX_DATA,
(* mark_debug = "true" *)
output reg RX_DATA_RDY,
(* mark_debug = "true" *)
output reg FRM_ERR,
(* mark_debug = "true" *)
output PARITY_ERR
// output reg [1:0] fsm_state
);
localparam [1:0] idle = 2'b00,
start = 2'b01,
data = 2'b10,
stop = 2'b11;
(* mark_debug = "true" *)
reg [1:0] curr_state;//
reg [1:0] next_state;
(* mark_debug = "true" *)
wire over_sample_cnt_done;
(* mark_debug = "true" *)
reg [3:0] over_sample_cnt;
(* mark_debug = "true" *)
reg [3:0] bit_cnt;
(* mark_debug = "true" *)
wire bit_cnt_done;
(* mark_debug = "true" *)
reg [8:0] rx_frame;
reg rx_d;
always @(posedge CLK)
begin
if(RST)
curr_state <= idle;
else
curr_state <= next_state;
end //always
always @(curr_state, over_sample_cnt_done, bit_cnt_done, RXD)
begin
case (curr_state)
idle : begin
if(RXD == 1'b0)
next_state = start;
else
next_state = idle;
// fsm_state = 2'b00;
end
start : begin
if(over_sample_cnt_done) begin
if(RXD)
next_state = idle;
else
next_state = data;
end
// fsm_state = 2'b01;
end
data : begin
if(over_sample_cnt_done && bit_cnt_done)
next_state = stop;
else
next_state = data;
// fsm_state = 2'b10;
end
stop : begin
if(over_sample_cnt_done)
next_state = idle;
else
next_state = stop;
// fsm_state = 2'b11;
end
default : next_state = idle;
endcase
end //always
// over sample count
always @(posedge CLK)
begin
if(RST || curr_state == idle)
over_sample_cnt <= 4'd7;
else if (BAUD_X16_EN) begin
if(over_sample_cnt_done)
over_sample_cnt <= 4'd15;
else
over_sample_cnt <= over_sample_cnt - 1;
end
end
assign over_sample_cnt_done = (over_sample_cnt == 4'd0) & BAUD_X16_EN;
// bit cnt generate
always @(posedge CLK)
begin
if(RST || curr_state != data)
bit_cnt <= 4'd0;
else if(over_sample_cnt_done)
bit_cnt <= bit_cnt + 1;
end //always
assign bit_cnt_done = (over_sample_cnt_done && (bit_cnt == 4'd8));
// output data generate
assign RX_DATA = rx_frame[7:0];
always @(posedge CLK)
begin
if (RST)
rx_frame <= 9'd0;
else if (curr_state == data && over_sample_cnt_done)
rx_frame[bit_cnt] <= RXD;
end //always
//always @(posedge CLK)
// rx_d <= RXD;
always @(posedge CLK)
RX_DATA_RDY <= bit_cnt_done;
assign PARITY_ERR = RX_DATA_RDY & ( rx_frame[8] == ^RX_DATA);
always @(posedge CLK)
begin
if(RST)
FRM_ERR <= 1'b0;
else if((curr_state == stop) && over_sample_cnt_done)
if (!RXD)
FRM_ERR <= 1'b1;
else
FRM_ERR <= 1'b0;
end
endmodule
- 위dml 기존의 코드에서 line 64~84부분을 아래에서 살펴보면 curr_state가 start일 때 RXD가 0이면 데이터가 입력되며 넘어가야 하는데 RXD가 0이 됨을 인식했을 때 다시 curr_state가 idle로 넘어가며 두 번씩 반복되는 현상 발생 -> ASCHII코드 값의 두 배가 출력됨
- RXD는 기본이 1: 값 수신 X / 0: 값 수신 O
- over_sample_cnt_done이 0이면 값을 수신하지 말아야 함 -> 다시 curr_state를 start로 바꾸어 다음 값을 받도록 수정
always @(curr_state, over_sample_cnt_done, bit_cnt_done, RXD)
begin
case (curr_state)
idle : begin
if(RXD == 1'b0)
next_state = start;
else
next_state = idle;
// fsm_state = 2'b00;
end
start : begin
if(over_sample_cnt_done) begin
if(RXD)
next_state = idle;
else
next_state = data;
end
따라서 위의 부분을 아래와 같이 변경
always @(curr_state, over_sample_cnt_done, bit_cnt_done, RXD)
begin
case (curr_state)
idle : begin
if(RXD == 1'b0)
next_state = start;
else
next_state = idle;
// fsm_state = 2'b00;
end
start : begin
if(over_sample_cnt_done) begin
if(RXD)
next_state = idle;
else
next_state = data;
end else begin
next_state = start;
end
// fsm_state = 2'b01;
end
- 위의 경우 입력이 시작된 이후 start 내에서 동작하므로 중복 x
- PARITY ERROR와 FRAME ERROR도 발생하지 않았음 확인

- 에러 수정 과정 및 디버깅
- 정상 작동 영상
[ 수정된 uart_rx_cntl.v 전체 코드 ]
`timescale 1ns / 1ps
//////////////////////////////////////////////////////////////////////////////////
// Company:
// Engineer:
//
// Create Date: 2024/05/20 10:15:18
// Design Name:
// Module Name: uart_rx_cntl
// Project Name:
// Target Devices:
// Tool Versions:
// Description:
//
// Dependencies:
//
// Revision:
// Revision 0.01 - File Created
// Additional Comments:
//
//////////////////////////////////////////////////////////////////////////////////
module uart_rx_cntl(
input RST,
input CLK,
(* mark_debug = "true" *)
input RXD,
(* mark_debug = "true" *)
input BAUD_X16_EN, //over_sample_cnt_done,
output [7:0] RX_DATA,
(* mark_debug = "true" *)
output reg RX_DATA_RDY,
(* mark_debug = "true" *)
output reg FRM_ERR,
(* mark_debug = "true" *)
output PARITY_ERR
// output reg [1:0] fsm_state
);
localparam [1:0] idle = 2'b00,
start = 2'b01,
data = 2'b10,
stop = 2'b11;
(* mark_debug = "true" *)
reg [1:0] curr_state;//
reg [1:0] next_state;
(* mark_debug = "true" *)
wire over_sample_cnt_done;
(* mark_debug = "true" *)
reg [3:0] over_sample_cnt;
(* mark_debug = "true" *)
reg [3:0] bit_cnt;
(* mark_debug = "true" *)
wire bit_cnt_done;
(* mark_debug = "true" *)
reg [8:0] rx_frame;
reg rx_d;
always @(posedge CLK)
begin
if(RST)
curr_state <= idle;
else
curr_state <= next_state;
end //always
always @(curr_state, over_sample_cnt_done, bit_cnt_done, RXD)
begin
case (curr_state)
idle : begin
if(RXD == 1'b0)
next_state = start;
else
next_state = idle;
// fsm_state = 2'b00;
end
start : begin
if(over_sample_cnt_done) begin
if(RXD)
next_state = idle;
else
next_state = data;
end else begin
next_state = start;
end
// fsm_state = 2'b01;
end
data : begin
if(over_sample_cnt_done && bit_cnt_done)
next_state = stop;
else
next_state = data;
// fsm_state = 2'b10;
end
stop : begin
if(over_sample_cnt_done)
next_state = idle;
else
next_state = stop;
// fsm_state = 2'b11;
end
default : next_state = idle;
endcase
end //always
// over sample count
always @(posedge CLK)
begin
if(RST || curr_state == idle)
over_sample_cnt <= 4'd7;
else if (BAUD_X16_EN) begin
if(over_sample_cnt_done)
over_sample_cnt <= 4'd15;
else
over_sample_cnt <= over_sample_cnt - 1;
end
end
assign over_sample_cnt_done = (over_sample_cnt == 4'd0) & BAUD_X16_EN;
// bit cnt generate
always @(posedge CLK)
begin
if(RST || curr_state != data)
bit_cnt <= 4'd0;
else if(over_sample_cnt_done)
bit_cnt <= bit_cnt + 1;
end //always
assign bit_cnt_done = (over_sample_cnt_done && (bit_cnt == 4'd8));
// output data generate
assign RX_DATA = rx_frame[7:0];
always @(posedge CLK)
begin
if (RST)
rx_frame <= 9'd0;
else if (curr_state == data && over_sample_cnt_done)
rx_frame[bit_cnt] <= RXD;
end //always
//always @(posedge CLK)
// rx_d <= RXD;
always @(posedge CLK)
RX_DATA_RDY <= bit_cnt_done;
assign PARITY_ERR = RX_DATA_RDY & ( rx_frame[8] != ^RX_DATA);
always @(posedge CLK)
begin
if(RST)
FRM_ERR <= 1'b0;
else if((curr_state == stop) && over_sample_cnt_done)
if (!RXD)
FRM_ERR <= 1'b1;
else
FRM_ERR <= 1'b0;
end
endmodule
- UART RX Schematic

실습 2: 메모리(RAM) 설계
- ROM(Read Only Memory): 한 번 기록된 정보가 전원과 무관하게 반영구적으로 기억되는 삭제나 수정이 불가능한 기억장치
- RAM(Random Access Memory): 사용자가 자유롭게 데이터를 읽고, 쓰고, 지울 수 있는 기억장치
- 아래 코드에서는 두 개의 ROM이 존재(NUM_10S에서와 NUM_1S에서)
always @(CA, NUM_1S, NUM_10S)
begin
if (CA) begin
case (NUM_10S)
4'd0 : AN = 7'h7e;
4'd1 : AN = 7'h30;
4'd2 : AN = 7'h6d;
4'd3 : AN = 7'h79;
4'd4 : AN = 7'h33;
4'd5 : AN = 7'h5b;
4'd6 : AN = 7'h5f;
4'd7 : AN = 7'h70;
4'd8 : AN = 7'h7f;
4'd9 : AN = 7'h7b;
default : AN = 7'h00;
endcase
end else begin
case (NUM_1S)
4'd0 : AN = 8'h7e;
4'd1 : AN = 8'h30;
4'd2 : AN = 8'h6d;
4'd3 : AN = 8'h79;
4'd4 : AN = 7'h33;
4'd5 : AN = 7'h5b;
4'd6 : AN = 7'h5f;
4'd7 : AN = 7'h70;
4'd8 : AN = 7'h7f;
4'd9 : AN = 7'h7b;
default : AN = 8'h00;
endcase
end
end
- FIFO(First Input First Output): 선입선처리에 따라 순서대로 데이터를 처리하는 형식
[ RAM 설계 참고사항 ]
- PORT
- RST
- CLK
- DIN [7:0]
- DOUT [7:0]
- RW (1: READ, 0: WRITE)
- ADDR [3:0] (Address) -> 총 4비트이므로 Address가 0~15까지
- 위의 Address 선언에 맞게 메모리 구성 -> reg [7:0] mem[0:15]
- Read: mem[ADDR] = DIN
- Write: DOUT = mem[ADDR]
1. my_ram 프로젝트 만들기
2. Add Source로 my_ram.v 생성 후 I/O 포트 정의

3. 메모리를 생성하기 위해 위의 참고사항을 이용해 reg 선언
reg [7:0] mem [0:15];
4. CLK의 Rising Edge마다 Read를 기본으로 실행하기 위해(Reset이 0이 아닐 때) 코드 작성
always @(posedge CLK) //read 부분
begin
if(RST)
DOUT <= 8'd0;
else
DOUT <= mem [ADDR]; //RST이 0이 아니라면 기본으로 Read를 실행
end
5. RW 모드가 0이면 Write 실행하기 위한 코드 작성
always @(posedge CLK)
begin
if(RW == 1'b0) //RW의 모드가 0이므로 Write 실행
mem[ADDR] <= DIN;
end
6. 위와 같이 코드를 작성할 경우, ADDR이 Read와 Write 모드에서 동일할 때 출력되는 값(Read되는 값)이 기존의 Data일 수도 있고, 새롭게 Write된 값일 수 있으므로 이를 지정하기 위해 Write First로 진행하여 방지 가능
- 또는 Read_addr와 Write_addr를 분리하여 위와 같은 오류를 방지할 수 있음
7. Simulation 돌려보기 위해 testbench 파일을 만들고 검증하기
7-1. my_ram 모듈을 인스턴스화하기 위해 코드 작성 후 포트 맵핑
my_ram uut(
.RST (rst),
.CLK (clk),
.ADDR (addr),
.DIN (din),
.DOUT (dout),
.RW (rw)
);
인스턴스화(Instantiation)란?
다른 파일에서 선언한 모듈을 가져올 때 사용하는 방법.
위 코드에서는 my_ram.v 파일에서 선언한 my_ram이라는 모듈을 my_ram_tb.v파일로 가져오기 위해 사용함.
[선언 형식]
가져올 module 이름 module 이름 선언 (
.가져올 module의 port1 (연결할 현재 module의 port1),
.가져올 module의 port2 (연결할 현재 module의 port2),
.가져올 module의 port3 (연결할 현재 module의 port3),
....
....
);
7-2. 아래에서 사용할 i를 integer로 선언 후 시뮬레이션 코드 작성
[ 전체 코드 ]
`timescale 1ns / 1ps
module my_ram_tb();
parameter CLK_PD = 8.0;
reg rst, clk, rw;
reg [3:0] addr;
reg [7:0] din;
wire [7:0] dout;
integer i;
my_ram uut(
.RST (rst),
.CLK (clk),
.ADDR (addr),
.DIN (din),
.DOUT (dout),
.RW (rw)
);
initial begin //testbench 코드 작성할 때 초기에 rst을 ON/OFF 해주고 시작하는 부분
rst = 1'b1;
#(CLK_PD*10);
rst = 1'b0;
end
initial clk = 1'b0;
always #(CLK_PD/2) clk = ~clk; //clk를 0에서 시작하여 CLK_PD를 주기로 1, 0을 반복하도록 신호를 만드는 코드
initial begin
addr = 4'd0;
din = 8'd0;
rw = 1'b1; //이 세 줄은 초기조건 설정
wait (rst == 1'b0);
#(CLK_PD*20);
rw = 1'b0; //wirte 모드 시작
for (i = 0; i < 16; i = i+1) begin //memory의 addr공간이 0~15까지 존재하므로 각 주소에 0~15까지 입력
addr = i;
din = i;
#(CLK_PD);
end
#(CLK_PD*20);
rw = 1'b1; //read 모드 시작
for (i = 0; i < 16; i = i+1) begin //memory의 addr공간이 0~15까지 존재하므로 각 주소0~15까지의 Data를 불러오기
addr = i;
#(CLK_PD);
end
#1000;
$finish;
end
endmodule
7-3. 시뮬레이션 결과: 각 Address에 Write하는 과정(위)과 Address에서 Read하는 과정(아래)


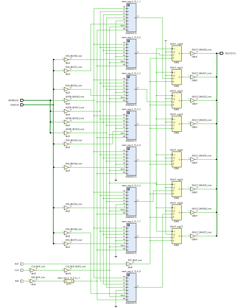
- 위 RAM의 Schematic

8. 위 Simulation 결과중 dout이 wirte모드에서 Unknown이 되지 않도록 하기 위해 -> memory의 초기값을 0으로 설정
memory 생성을 위해 mem을 reg로 선언한 코드를 다음과 같이 변경: (2차원 verilog 배열 초기화)
reg [7:0] mem [0:15] = {default:0};

9. always @(posedge CLK)구문은 Synchronous, assign구문은 Asynchronous이므로 assign으로 변경해보기(my_ram.v파일 수정)
module my_ram(
input RST,
input CLK,
input [3:0] ADDR,
input [7:0] DIN,
output [7:0] DOUT,
input RW
);
//reg [7:0] mem [0:15]; //메모리를 생성하기 위해 reg 사용 reg [7:0]은 데이터 크기의 맞춤. [0:15]는 ADDR이 4비트이므로 0~15로 선언
reg [7:0] mem [0:15]; //선언한 memory 0으로 초기화하기
assign DOUT = mem[ADDR];
/**********
always @(posedge CLK) //read 부분
begin
if(RST)
DOUT <= 8'd0;
else
DOUT <= mem [ADDR]; //RST이 0이 아니라면 기본으로 Read를 실행
end
***********/
always @(posedge CLK)
begin
if(RW == 1'b0) //RW의 모드가 0이므로 Write 실행
mem[ADDR] <= DIN;
end
endmodule
10. testbench 결과: always구문을 사용했을 때와 다르게 din 값이 즉각적으로 변함

'하만(Harman) 세미콘 반도체 설계 과정 > Verilog를 이용한 RTL 시스템 반도체 설계' 카테고리의 다른 글
| 하만(Harman) 세미콘 아카데미 61일차 - Verilog HDL 설계(UART_TX 설계) (0) | 2024.06.10 |
|---|---|
| 하만(Harman) 세미콘 아카데미 57일차 - Verilog HDL 설계(FIFO 설계, 테스트벤치 코드 작성방법) (2) | 2024.06.03 |
| 하만(Harman) 세미콘 아카데미 47일차 - Verilog HDL 설계(UART 실습) (0) | 2024.05.20 |
| 하만(Harman) 세미콘 아카데미 46일차 - Verilog HDL 설계(Serial to Parallel, Parallel to Serial 변환) (0) | 2024.05.17 |