728x90
[2024.04.15.월] 인천인력개발원 하만 세미콘 아카데미
전자회로 해석 및 설계
RLC 응용 사례
1. Noise Coupling(노이즈 결합)
- 두 개의 IC가 회로로 연결되면 노이즈 결합(Noise Coupling 발생)
- IC쪽 회로에 각각 캐패시터 설치 -> Noise Decoupling -> 이러한 캐패시터를 Decoupling Capacitor(De-Cap)이라 함
- De-Cap = Bypass Capacitor

2. 제조물 책임법(Product Liability, PL법)
- 기업에서 제조한 제품이 소비자에게 피해를 야기했을 때 소비자를 보호하기 위한 법
Diode 응용회로
1. PN 접합 다이오드(PN junction)

- p형 반도체: 주요 전하운반자로 양공을 사용하는 불순물 반도체
- n형 반도체: 주요 전하운반자로 전자를 사용하는 불순물 반도체
- Bias: 트랜지스터와 진공관 등의 전자 소자에 소정의 동작점을 주기 위하여 전극에 일정한 직류 전압이나 전류를 가하는 것
- 순방향(Forward) Bias : Diode On / P형 반도체에 +극, N형 반도체에 -극이 연결된 상태. 전류 ≠ 0, R ≒ 0
- 접합면에서 양공과 전자가 만나 소멸(전기적 성질 0)
- Forward Voltage(VF ≒ 0.7V): 순방향 전압. Diode On을 시키기 위한 최소전압 (= Vth. Threshold Voltage) - 역방향(Reverse) Bias : Diode Off / P형 반도체에 -극, N형 반도체에 +극이 연결된 상태. 전류 = 0, R ≒ ∞
- 접합면으로부터 양공과 전자가 멀어져 전류 0
- Reverse Voltage(VR): 역방향 전압
- 순방향(Forward) Bias : Diode On / P형 반도체에 +극, N형 반도체에 -극이 연결된 상태. 전류 ≠ 0, R ≒ 0
2. Diode 종류와 특성
- 소신호 Diode(D1N4148)
- VF = 0.7V
- VR ≒ ∞V
- I_Fmax(Forward Max Current) = 200mA
- 정류용 Diode(D1N4002)
- VF = 0.93V
- VR ≒ 100V
- I_Fmax = 1A
- 쇼트키 Diode(MBD101), Shottky Barried Diode(SBD)
- VF < 0.5V
- VR = 7V (VR이하로만 전압 걸어야함!!)
- I_Fmax = 100mA
- ON/OFF 속도 매우 빠름(trr이 매우 낮음)
- 제너 Diode(D1N750)
- VZ = 4.7V
- IZ = 20mA
- 바렉터 Diode
- SCR
- TRIAC
- LED
- VF = 1.5V~4.0V
- IF(Forward Current): 적정전류 사용
- VR 매우 낮음
3. Zener Diode
- 전류가 변해도 전압이 일정한 특성
- VF: 4148diode와 유사하게 0.6~0.7V, 낮은 역방향 전압에서 역방향 turn-on
- Zenner diode에서 역방향 on 전압 = 제너전압(Zener Voltage, Vz)
- 정전압 회로에 주로 사용
4. Diode 주요 규격
- VR(Reverse Voltage, 역방향 내전압): 역방향으로 걸 수 있는 최대 전압
- VF(Forward Voltage, 순방향 전압): 순방향으로 turn-on 시 다이오드에 걸리는 전압
- IF(Forward Current, 순방향 전류): 지속적으로 흐르는 순방향 동작전류
- IFM(Max. Forward Current): 순간적으로 흐를 수 있는 순방향 최대전류
- IFSM(Max. Forward Surge Current): 순간적으로 흐를 수 있는 순방향 최대전류
- P(허용 전력): 순방향으로 흐르고 있는 전류와 순방향 전압의 곱
- trr(Reverse Recovery Time)
- 스위칭의 속도. diode가 역방향에서 순방향으로 on될 때 까지 걸리는 시간
- 스위칭(고속) 용도로는 trr이 작을수록 양호
- C(junction capacitance): 일반적으로 역방향 바이어스에서의 단자간 정전용량
5. Diode 선정 시 고려 규격
- VR, IF, P 3가지 중 하나라도 초과하면 다이오드 파손
- 일반적으로 30% 이상의 여유를 두고 선정
- SMPS나 DC-DC등 고속 스위칭과 고효율이 요구되는 전원회로에서는 VF가 낮으며 trr이 짧은 SBD type 을 주로 사용
6. 정전기방전(ESD) 대책
- 정전기방전(ESD: Electro Static Discharge): 전기적 전위체 사이에서 접촉, 마찰 등으로 인한 전하의 급격한 이동
- 디지털 TV의 USB포트나 HDMI포트에 휴대용 제품을 연결하는 순간 발생 ESD전압은 최대 35kV
- ESD 대책(정전기 대책) 기법
- Diode 2개 직렬 구성
- 가장 일반적인 방식
- IC 내부(Chip Level)에서 주로 사용 - TVS(Transient Voltage Suppression)
- Board Level에서 사용
- Zener diode 두 개가 마주본 형태 - Varistor(Variable Resistor) [바리스타]
- Board Level에서 사용
- 소자 양단에 걸리는 전압 값에 따라 저항 값이 변화하는 특성
- Diode 2개 직렬 구성
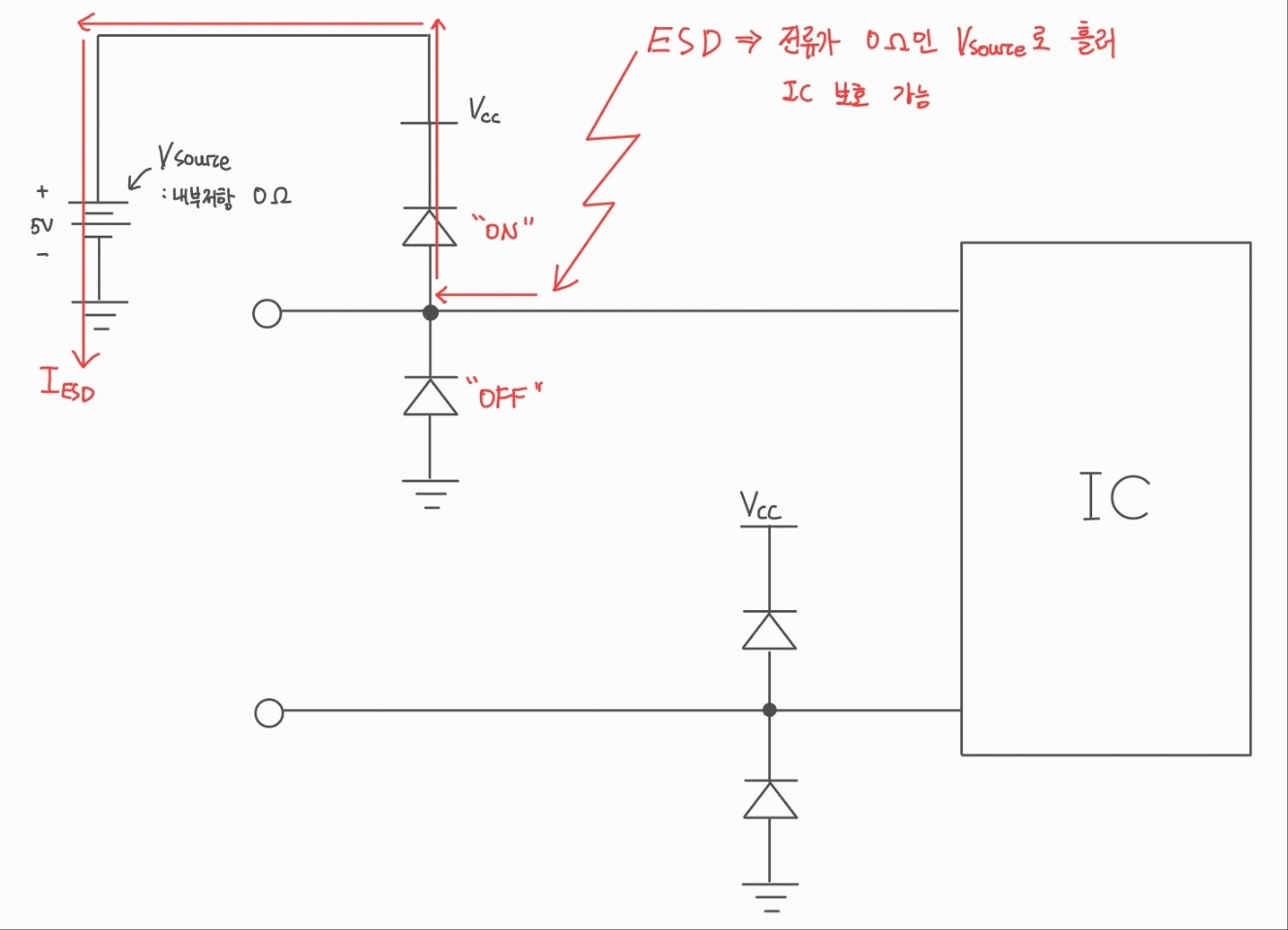
6-1. Diode를 이용한 정전기방전 대책
- ESD 대책용 다이오드는 IC내부에 기본적으로 내장
- 일반적으로는 내장 다이오드 뿐 아니라 외부에 추가적으로도 ESD 대책소자 적용

- 위 회로를 이용하여 전압을 -0.7V~5.7V(5.0+0.7)로 전압 제한 --> Clamp Circuit
6-2. TVS Diode를 이용한 정전기방전 대책
- TVS(Transient Voltage Suppression) Diode는 등가적으로 두개의 Zener Diode를 마주보게 직렬 구성한 소자
- Uni-Directional TVS, Bi-Directional TVS 두 종류

Bi-Directional TVS 회로 및 전압 제한 - 위 그림에서 +전압의 ESD는 빨간색, -전압의 ESD는 검정색으로 표현
- Bi-Directional TVS를 이용해 전압을 -5.4V~5.4V로 양방향 전압제한 가능
- Bi-Directional TVS: 현업에서는 Bi-Polar Signal(-5V~+5V) 사용 --> Signal Line에 사용
- Uni-Directional TVS: Power Line에 사용
6-3. Varistor을 이용한 ESD 대책
- Varistor은 수백만개의 작은 p-n junction이 직-병렬로 연결된 구조
- 위와 같은 구조적 특징으로 인해 p-n junction의 기생 C 증가 --> 큰 기생용량(C)
- 기생용량으로 인해 고주파(Edge)에서 왜곡 발생 -> 전원라인&저주파 신호라인에 응용

728x90